Quando VC > VCC/3 (basta que seja alguns mV maior ) então R=S=0 o que mantém o estado do FF interno, isto é , Q=1, saída VCC. Quando porém VC>(2/3).VCC, o FF resetará, isto é, R=1 e S=0 e nesse instante a saída vai a zero, saturando o transistor interno e fazendo C se descarregar através de RB e pelo transistor interno. Quando a tensão em C cair abaixo de VCC/3 , novamente teremos S=1 e R=0 setando o FF e portanto a saída volta para VCC e o transistor corta fazendo o capacitor se carregar por RA + RB e tudo se repete. A Figura 7 mostra o comportamento do circuito do ponto de vista dos gráficos.
Figura 7- Formas de onda no capacitor e na saida do circuito da figura 5
Os tempos alto (TH) e baixo (TL) são calculados por :
TH = 0,69.(RA + RB).C (Equação 1) e TL = 0,69.RB.C (Equação 2)
Observe que o tempo alto é maior que o tempo baixo pois a carga se dá por (RA + RB) e a descarga por RB. Caso se deseje tempos iguais deve-se impor RB muito maior do que RA, sendo que RA deve ter valor de pelo menos 1 k para que o transistor interno não sofra danos.
As expressões de TH e TL podem ser generalizadas por :
TH = 0,69.RCarga.C (Equação 3) e TL = 0,69.RDescarga.C (Equação 4) onde RCarga é a resistência equivalente que C “vê” durante a carga e RDescarga é a resistência equivalente que C “vê” na descarga, desta forma é possível, modificando os caminhos de carga e descarga ter TH diferente de TL.
3. Exercícios Resolvidos
3.1. Para o astável pede-se calcular a freqüência de oscilação e desenhar os gráficos de VC(t) e Vsaida (t).
Figura 8 - Circuito para exercicio resolvido 3.1 - Construa e simule seu circuito aqui
Solução: TH=0,69.RCarga.C = 0,69.48K.0,1mF=3,31 ms
TL = 0,69.RDescarga.C =0,69.33K.0,1 mF= 2,27 ms
T = TH + TL = 3,31 + 3,27 =5,58 ms f =1/T = 1/5,58ms = 179 Hz
A Figura 9 mostra as formas de onda no capacitor e na saida do circuito da Figur 8.
Figura 9 - Formas de onda do circuito da Figura 8 - resolvido 3.1
3.2. Para o circuito astável pede-se calcular a freqüência de oscilação e desenhar os gráficos de VC(t) e Vsaida(t)..
Figura 10 - Circuito para exercicio resolvido 3.2 - Construa e simule seu circuito aqui
Solução:
RCarga=2k2+1k//33k=3,1k
TH=0,69.3,1k.0,1mF=0,22 ms
RDescarga=33k
TL=0,69.33k.0,1mF= 2,27 ms
O periodo das oscilações vale:
T=0,22ms + 2,27 ms= 2,49 ms
A frequencia de oscilação vale:
Formas de onda
Figura 11 - Formas de onda do circuito da Figura 10
3.3. Para o circuito astável pede-se calcular a freqüência de oscilação e desenhar os gráficos de VC(t) e Vsaida(t)..
Figura 12 - Circuito para exercicio resolvido 3.3 - Construa e simule seu circuito aqui
Solução:
RCarga=2k2+33k=35,2 k
TH=0,69.35,2k.0,1mF=2,43 ms
RDescarga=1k//33k= 0,97 k
TL=0,69.0,97k.0,1mF= 0,067 ms
O periodo das oscilações vale:
T=0,067ms + 2,43 ms= 2,49 ms
A frequencia de oscilação vale:
Observe que o periodo é o mesmo nos dois exercicios pois a soma das resistencias na carga com a resistencia na descarga é a mesma.
Figura 13 - Circuito para exercicio resolvido 3.1
Fonte: Multisim V. 14
3.4. Para o circuito astável pede-se calcular a freqüência de oscilação e desenhar os gráficos de VC(t) e Vsaida(t)..
Figura 14 -Circuito para exercicio resolvido 3.4 - Construa e simule seu circuito aqui
Solução:
RDescarga= RCarga=10 k logo TL=TH=0,69.10k.0,1mF= 0,69 ms O periodo das oscilações vale portanto T=0,69+0,69=,39 ms. A Figura 15 mostra as formas de onda da tensão no capacitor e na saida.
Figura 15 - Formas de onda do circuito da Figura 14 - Construa e simule seu circuito aqui
4. Exercicios propostos
4.1. Projetar um astável com 555 que oscile em 5 kHz. Dado: VCC = 12 V Adotar os valores que forem necessarios
4.2. Projetar um astável que gere uma forma de onda que tenha TH = 1ms e TL = 3ms.
4.3. Projete um pisca pisca que deixe uma lâmpada de 110 V acesa 2s e apagada 4s. Dados: Relê 12V/30mA Vcc =12V
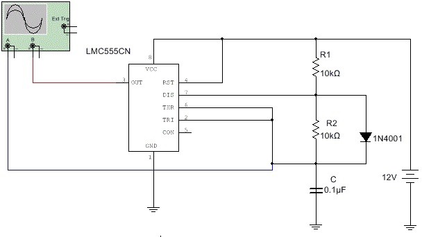
5. Experiência: Astavel com 555
5.1 Abra o arquivo Exp555_01_Astavel e identifique o circuito da Figura 16. Inicie a simulação anotando as formas de onda na saida (pino 3) e no capacitor (pinos 2 e 6). Anote o período das oscilações e os tempos alto, TH, e baixo, TL na tabela 1. Compare com os valores teóricos.
Atenção!! Faça as mudanças que achar necessário, mas não salve com o mesmo nome.
Arquivo Multisim Live

Arquivo Falstad

Figura 16 - Circuito Astavel para experiencia - Construa e simule seu circuito aqui
Fonte: Multisim V. 14
Tabela 1 - Valores medidos e calculados - Astave com 555