Astavel 555 - eletronica24h

Busca
Ir para o conteúdo

Menu principal:

Astavel 555

Utilidades
Faça uma doação  R$ 1,00     R$, 2,00 R$ 5,00 ou no valor  que puder e ajude a manter o site ativo. Use a chave. Mesmo email para tirar duvidas.
romulo.oliveira.albuquerque@gmail.com

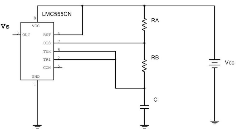
Calculando com o 555 como  Astavel
Use o quadro a seguir para determinar o tempo alto (TH) o tempo baixo(TL) e a frequencia de oscilação
Entre com os valores  de RA, RB, e C e então pressione o botão "Calcular" para determinar os intervalos de tempo alto TH e  tempo baixo TL em ms.
Por exemplo um  resistor de  RA=10 k e um resistor RB= 100 k com um capacitor C= 0.1 uF  produzirá os tempos TH=7.62 ms e TL= 6.93 ms e uma freqüência de f= 70 Hz.
R1 deve ser maior que  1k para garantir a integridade do CI e C deverá ser maior que .0005 uF.
Para iniciar qualquer cálculo primeiramente tecle "Zerar".  
TH = 0.693 * (RA+RB) * C ( tempo no nível alto)          TL = 0.693 * RB * C ( tempo no nível baixo)

RA (K Ohms)

RB (K Ohms)

C ( µF)

   TH (ms)

TL (ms)

f(kHz) 

f(Hz)

 

 
Página Inicial | Links Livros | Quem somos | Links Uteis | Educacional | Utilidades | Mapa geral do site
Copyright 2015. All rights reserved.
Voltar para o conteúdo | Voltar para o Menu principal