A seguir é mostrado passo a passo como construir um circuito simples (bateria+resistor+fios e terra) e simular. Como exemplo é mostrado um circuito com uma bateria de 10V e uma resistencia de 1k, o qual é bem conhecido. Na Figura 1 é mostrado o circuito já montado e a Figura 1b o mesmo circuito circuito com os valores de corrente. Monte o circuito nessa sequencia, mas pode ser em outra:
Figura 1 - Circuito a ser montado ( a ) Montado ( b ) Simulando mostrando valor da corrente
1) Insira a bateria , existem varias formas de inserir, atalho v, Menu Desenhar ou direto da Barra de farramentas (Toolbar em Opções).
Não esqueça ao clicar no componente o curso se transforma em +, então arraste ente dois pontos inserindo.
Caso esteja invertida (pricipalmente para componentes com polaridade), clique com botão direito do
mouse em cima do simbolo em seguida Inverter y ou Inverter X. Dando duplo clique no simbolo da bateria aparece
a caixa de edição, ode voce pode mudar o valor e escolher o tipo de tensão, nesse caso CC; Mude para 10, Figura 1a..
Editando Bateria: Mude de 5V para 10V. Em Opções desabilite Mostrar Tensão, Mostrar Corrente, a bateria aparece comona Figura1b.
Observe que externamente não aparece o valor da Bateria, voce tem de escrever para isso use Desenhar>>>Saidas e Rótulos>>Inserir Texto. Aparece escrever texto
Clique e no lugar de 5 insira 10. Escolha o tamnho do fonte que desejar. Dê OK.
2) Insira o Terra (ground) direto da barra de Ferramentas. obs: Ao contrario dos circuito baseados no SPICE, o nosso circuito funciona sem o terra, mas usaremos assim mesmo.
3) Insira o resistor de 1k. Clique no resistor se precisar mudar o valor da resistencia. Não esqueça, para inserir voce deve arrastar o ponteiro do mouse de um ponto ao ponto onde quer inserir.
Figura 2 - Inserindo o resistor
4) Para conectar os terminais de dois componentes, voce pode conectar os dois pontos pretos nos terminais com o auxilio do cursor do mouse ou pode conectar usando uma conexão életrica (w).
Quando no modo inserir Conexão o ponteiro do mouse se transforma em uma cruz. Clique num terminal preto, arraste e clique no outro que quer ligar. Na Figura 2 são tres conexões.
Figura 3 - Conexões feitas circuito pronto para simulação
5) Para efetuar a simulação clique em
6) Os valores aparecem a direita abaixo.. Posicionando o cursor no resistor
Figura 4 - Resultados
7) Outra forma de ver os resultados é usar os instrumentos (amperimetro, voltimetro e wattimetro). Para inserir amperimetro o circuito deve ser aberto, delete a conexão superior, selecione e Delete, Figura 5.
O amperimetro se encontra em Desenhar>>Saidas e Rotulos>>Amperimetro.
.

Figuira 5 Inserindo o amperimetro
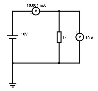
8) Insira um voltimetro para medir a tensão na resistencia.O voltimetro se encontra no mesmo lugar que o amperimetro. Resulta o circuito da Figura 6

Figuira 6 Inserindo o voltimetro
Resumindo: para montar qualquer circuito os passos são os vistos para o circuito da Figura 6. Para obter o arquivo Falstad clique no icone abaixo
Como exercicio insira na area de trabalho, caso conheça, os componentes: capacito, indutor, chave, potenciometro transformador,relé,fusivel.
Figura 6 Componentes passivos
Insira na area de trabalho: GND, fonte de tensão de 12V,com indicação do valor, fonte de tensão senoidal de 10Vpk/100Hz

Figuira 8 - Entradas e fontes
Explore todos os itens possiveis, foi assim que aprendi.