Testes - eletronica24h

Busca
Ir para o conteúdo

Menu principal:

Testes

Educacional > Cursos > Amplificador Operacional
'xTeste aqui os seus conhecimentos em AmOp

1)   Clique no símbolo  do Amplificador Operacional

           

2) Um  AO ideal deve ter:

Observe atentamente o circuito e responda os testes de   3 a 5.

Arquivo Multisim Live

3 )  O circuito é chamado de:


4)  O  instrumento M1 deve indicar:

a)  5 V            b)  -5 V         c) 10 V          d) -10 V

5) A impedância  de entrada do circuito ( amplificador   com realimentação ) vale:

a)     Infinita       b) 5 k          c)     1 k                   d) 1 M

Observe o circuito  as seguir  e responda os testes  de 6 a  8.



Arquivo Multisim Live

6)  O nome do circuito é:

7) O valor da tensão  de saída (VS) é :
a) 2V    b)  1V      c) 4V           d) 0,5V

8) O Valor da corrente na saida do AO vale:

a)  4 mA         b)  2 mA         c) 6 mA       d) 0  


9)  Complete a frase com a alternativa correta:    "O termo Slew Rate  significa.........................,e  a sua unidade é especificada em .........:"





Observe a curva de resposta em malha aberta de um AO , a  indicação dos dois ponteiros (y ponteiro que indicam ganho em dB e X é o ponteiro que mostra a frequencia) e responda as questões de 10 a 12:

10) O ganho em malha aberta do AO:
a) 200.000           b) 120.000         c) 100.000            d) 150.000

11) O produto GanhoxL.F , em malha aberta ,   vale:
a) 100 kHz         b) 200 kHz                      c) 1,4 MHz              d) 1MHz

12) Se este AO for usado em  um circuito inversor com  ganho igual  a -100, a L.F do  circuito será aproximadamente  :
a) 14 kHz               b) 1,4 MHz       c)   140 kHz       d) Todas estão erradas

13) Assinale qual das formas de onda é  a da saída do circuito. Osciloscópio 2V/Div


Arquivo Multisim Live
           


 Dado a curva característica de transferência  em malha aberta de um AO, responda as questões  de 14 a 15



14) Pode-se  afirmar que o ganho de malha aberta vale:
a)  30.000
b)  60.000

15)  Assinale a alternativa correta:

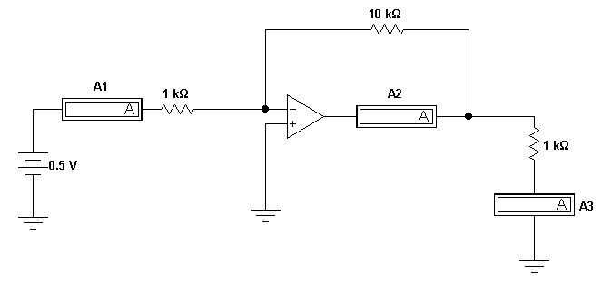
16) Com relação ao circuito a indicação  dos instrumentos A1,A2 e A3, em módulo,  são respectivamente:


a) 0,5 mA; 5 mA; 5,5 mA                  b) 0,5 mA; 5,5 mA; 5 mA                 c) 0,5 mA; 4,5 mA; 5 mA                  d) 0,5 mA; 5m A;  4 mA
Arquivo Multisim Live


17) Para que valores de R o LED acende ?

Arquivo Multisim Live

18) No circuito a seguir a forma de onda na saída do  AO é :


Arquivo Multisim Live


19) No circuito, com a chave em A  o valor de  Rx para que  Vs seja 5 V é:
a)  1 k     b) 5 k     c)  10 k    d) 15 k   e)  NDA
  
Arquivo Multisim Live


 
Copyright 2015. All rights reserved.
Voltar para o conteúdo | Voltar para o Menu principal