PraticaAOSCRe555aula08 - eletronica24h

Busca
Ir para o conteúdo

Menu principal:

PraticaAOSCRe555aula08

Educacional > Cursos > Pratica com AO, 555 e SCR
Experiência07           Indice             Experiência09
Experiência  08: Monoestavel com AO
 
 
Objetivo
  • Determinar experimentalmente a duração do      estado instável do temporizador monoestavel).

Material Usado  
2 Baterias de 9 V  com terminais
1 Multímetro digital
1 Matriz de pontos
1 CI 741
1 LED vermelho (pode ser outra cor)
2 Diodo 1N4001 (ou outro qualquer de uso geral)
Resistores: 100/1 k/2k2/2x10 k, 220 k
Capacitores: 2x100 F (eletrolíticos no  mínimo 12 V de isolação)
Fios para conexões na MP

 
Introdução Teórica
Leia sobre a introdução teorica em Curso Amplificador Operacional

 
Procedimento Experimental
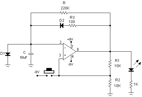
 1. Para o circuito da figura 1 calcule a duração do estado instavel (tempo que o LED fica apagado).
 
 
Ti=_____________(calculado)


Figura 1 -  Circuito experimental - monoestavel

 
2. Monte o circuito da figura 1  de acordo com sugestão do layout da figura 2. Dispare o circuito usando a chave (fio vermelho na figura 2) e meça o tempo instável. Anote.
 
 
Ti=_____________(medido)


Figura 2 -  Circuito experimental do moestavel  do circuito da figura 1 - layout na MP


 
Obs: O fio vermelho com um dos terminais desligado é usado como chave Normal Aberta (NA) para disparar o monoestavel, para isso basta tocar momentaneamente no terminal de um dos resistores de 10 k ligados na entrada não inversora.

 
 
3. Redispare o circuito e logo que o LED voltar a acender (circuito voltar ao estado estável), dispare novamente. O que acontece com a duração do estado instável? Justifique.
 
4. O circuito da figura 3 permite que o circuito monoestavel retorne rapidamente para a condição estável apos o termino do tempo Ti atraves do diodo D2 e resistor de 100 Ohms.

 
Figura  3 -  Circuito monoestavel de recuperação rápida

 
5. Monte o circuito da figura 3 de acordo com o layout da figura 4. Dispare o circuito medindo a duração do estado estável.  Anote.
 
 
Ti=_____________(medido)


Figura 4 -  Circuito monoestavel de recuperação rápida - Layout na MP

 
6.  Redispare o circuito e logo que o LED voltar a acender (circuito voltar ao estado estável), dispare novamente. O que acontece com a duração do estado instável? Justifique
 
7. Escreva as suas conclusões baseado nas medidas e observações.
 
Bibliografia:  ALBUQUERQUE, Rômulo O. Utilizando Eletrônica com AO, SCR, TRIAC, CI 555, LDR, LED, IGBT.  São Paulo: Erica:, 2009
Experiência07           Indice             Experiência09
 
Copyright 2015. All rights reserved.
Voltar para o conteúdo | Voltar para o Menu principal