msm7modulo4aula002 - eletronica24h

Busca
Ir para o conteúdo

Menu principal:

msm7modulo4aula002

Educacional > Cursos > Multisim7
multiSIM  14  
Aula   02: Analise SPICE - A Analise  Transiente (Transient  Analysis)

Introdução
      Na analise transiente  o SPICE  divide cada ciclo em intervalos de tempo e executa uma analise  DC para cada ponto. As respostas são desenhadas em função  do tempo resultando formas de onda de tensão para o nó selecionado. Em resumo, essa analise mostra os graficos da tensão em função do tempo. É o  osciloscopio do SPICE.

Exemplo 01: Considere a analise de um circuito RC serie como na Figura 1.


Figura 1 - Circuito RC série para analise transiente


     Para iniciar a analise,  ir em Simular (Simulate)>> Analises e Simulação (Analyses and simulation). Escolha Transiente (Transient), aparecerá a janela da Figura 2.   Nesta janela existem  diversas aba com  diversas configurações, mas as principais  são:
  • Analise de Parametros (Analysis Parameters);
  • Variáveis de Saída  (Output     Variables).



  • Figura 2 - Janela de configuração Analise Transiente  (Transient Analysis) com a aba Análise de Parâmetros selecionada



    Na aba Analise de Parametros  (Analysis Parameters) tem-se os seguintes parâmetros:


    Condições iniciais (Inicial conditions), a opção padrão é Determinar Automaticamente (Determine Automatticaly).

        Os limites de tempo (semelhante aos ajustes do osciloscópio)  que  devem ser feitos em: Tempo inicial (Start time), no  exemplo 0s,  e Tempo final (End Time), no exemplo0,008s=8ms.  Esses valores devem ser escolhidos em função da frequencia do sinal analisado, como no caso f= 1kHz (T=1 ms) então aparecerão 8 ciclos dos dois sinais.

         A  precisão dos gráficos será  dada pelo número de pontos escolhido. Se o campo Maximum time step não for selecionado, o Multisim escolhe o valor, mas se as formas de onda não tiverem precisão selecione esse campo e experiemente 1e-005 ou 1e-006.......etc.

            Para efetuar uma análise  deve-se escolher os  nós e ramos para  obter os resultados  da análise (formas de onda),  para isso clique na aba Saida (Output), Figura 3, e selecione as variaveis de interesse. Na Figura 3 foram selecionadas e adicionadas (Add) a tensão no nó 1, V(1) que é a tensão de saida (se o circuito for considerado um Filtro Passa Altas) e a tensão no nó 2, V(2), que é a tensão de entrada.


    Figura 3 - Janela de configuração da Analise  Transiente (Transient Analysis) com a aba Saída (Output) selecionada e já  com as variáveis adicionadas à lista da direita

    Após terem sido feitos os ajustes basta clicar em Simulate que será iniciada a simulação. Os  resultados estão  indicados na Figura 4.



    Figura 4 - Resultados da simulação da Analise Transiente do circuito da Figura 1



    Na Figura 4 falta configurar o grafico (mudar o fundo, adicionar linhas verticais e horizontais, adicionar cursores, etc).  A Figura 5 mostra o mesmo grafico configurado.



    Figura 5 - Resultados da simulação da Analise Transiente - Grafico configurado

    Obs: Voce pode dar nomes mais adequados para os nós, para isso dê duplo clique no nó, aparecerá a janela da Figura 6a. Nesta janela em Preferred net name adicione o nome que voce achar mais adequado, por exemplo voce pode chamar de Vs (tensão de saida).


                                                                                                                         ( a )                                                    ( b )                                       ( c )       
    Figura 6 - ( a ) Renomeando os nós ( b ) Circuito com nós renomeados  ( c ) Janela Saida (Output) com nós renomeados

    .

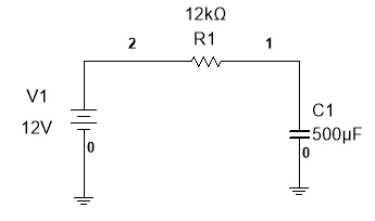
    Exemplo 02: Seja  o circuito RC serie da Figura 7 para o qual desejamos obter o gráfico  da tensão no  capacitor em função do tempo (carga) e da tensão na resistecia em função do tempo.


    Figura 7 - Circuito RC série em CC - Carga do capacitor - para analise transiente

         Para obter o gráfico da tensão no capacitor, V(1), em  função do tempo e da tensão na resistencia, V(2)-V(1),  ir em  Simular (Simulate)>>Analise (Analyses and simulation)>> Transiente (Transient). Aparecerá   a janela  Analise Transiente. Nessa janela insira como End time (TSTOP) o valor de 40s.
        Selecione Maximum time step e anote o valor 0.001. Na aba  Saida (Output) selecione e adicione V(1) que é a tensão no capacitor.Para inserir a expressão da tensão na resistencia V(2)-V(1), clique em Add expression, aparecerá uma janela chamada de Analysis Expression. No campo Expression voce inserirá V(2)-V(1) e para isso deve selecionar a tensão correspondente acima na lista e em seguida clicar em Copy varable to expression. Clique em Run.




    Figura 8 - Tensão no capacitor, V(1)  e na resistencia, V(2)-V(1) no circuito da Figura 7 apos configuração do grafico



    Exemplo 03: Caso se deseje obter a curva da descarga do capacitor a chave deve ser colocada  para baixo na Figura 5.



     
                                                                          
    ( a )                                                                                                                          ( b )                     
    Figura 9 - Circuito RC série em CC - Descarga  do capacitor  ( a ) Circuito ( b ) tensão no capacitor


    Exercício Proposto
    Determine o ganho do circuito( Vs/Ve) através de uma analise  transiente considerando a chave S1 fechada (desabilita R1) e com S1 aberta.


    Figura 10 - Amplificador Emissor Comum com realimentação pelo emissor


     
    Copyright 2015. All rights reserved.
    Voltar para o conteúdo | Voltar para o Menu principal