msm7modulo3aula003 - eletronica24h

Busca
Ir para o conteúdo

Menu principal:

msm7modulo3aula003

Educacional > Cursos > Multisim7
multiSIM 7  
Aula03: O Analisador Lógico

O analisador lógico permite visualizar vários sinais digitais ao mesmo tempo. Tem 16 entradas para sinais lógicos, que estando ativadas mostram o número do nó a qual está conectada. A Figura 1 mostra o ícone na barra de instrumentos e o símbolo na área de trabalho.


                                                                                                                              ( a )                    ( b )
Figura 1 - Analisador lógico – (a) ícone da barra de instrumentos ( b ) Símbolo na área de trabalho

A  Figura 2 mostra o Analisador Lógico aberto.



Figura 2 -  Analisador lógico mostrando 4 formas de onda  


Na Figura 2, à esquerda estão indicadas as 16 entradas, sendo que 4 estão sendo usadas (observar a diferença). A cor das formas de onda é a mesma da cor do fio ligado na entrada.  
Os cursores (dois), permitem medir tempo (T1 e T2) e a diferença de tempo (T2–T1). Na Figura12 a indicação dos ponteiros é:



Figura 3  Medidas efetuadas com os cursores  

Observar que os cursores fornecem também o valor, em hexadecimal, da informação mostrada.  
O cursor 1: 2,145ms   Valor em Hexa: 0003
O cursor 2: 4,325ms   Valor em Hexa: 0001
Diferença : 2,180ms
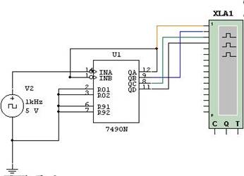
Exemplo3: A Figura 4 mostra como foi feita a conexão do analisador lógico a um circuito contador de 0 a 9.


Figura 4 - Analisador lógico conectado a um circuito contador de 0 a 9  



Configuração do Relógio (clock)
          Clicando em Ajustar (Set), será aberta a janela de configuração da Figura 5. Nesta deve-se escolher entre relógio interno (Internal) ou externo (external), a freqüência do clock e a taxa de amostragem (Sampling setting). Aconselho a usar sempre o clock interno.


Figura 5 - Configurando o clock e a taxa de amostragem para o circuito da Figura 4   

A caixa de seleção de amostragem tem dois ajustes:  
Amostras Pré Gatilho (Pre trigger Samples): O analisador armazena dados até atingir o número especificado.
Amostras Pós Gatilho (Pós trigger Samples): Após o sinal de gatilho os dados são armazenados até o número especificado, sendo em seguida enviados para a tela. Consideremos dois exemplos para efeito de comparação
Na figura5  a taxa de amostragem pós gatilho é de 10, com um relógio de 1 kHz. A figura 6 mostra as formas de onda para esse ajuste.
Obs:  Uma amostra corresponde a um ciclo inteiro, no exemplo 1ms.



Figura 6 -  Analisador lógico configurado com amostragem pós gatilho igual a 10


Configuremos o mesmo clock para uma amostragem pós-gatilho igual a 5.


Figura 7 -  Analisador lógico configurado com amostragem pós gatilho igual a 5



Observe a diferença. No segundo caso,  5 amostras à taxa de 1 kHz significa ocupar 5ms na tela, sempre considerando Clock/Div igual a1. Experimente outros valores.

Formas de onda de um circuito lógico combinacional
       Um circuito logico tem entradas e saida que se relacionam atraves de uma determinada logica. Para uma combinação das entradas existe uma saida. Se as entradas forem sinais, a saida tambem será um sinal e que pode ser mostrado na tela como um osciloscopio.

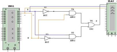
Exemplo04: A Figura 8 mostra uma aplicação interessante. A partir de um circuito lógico combinacional obter a saída para todas as combinações de entrada. Para gerar as entradas é usado o gerador de palavras e para ver as formas de onda associadas usamos o analisador lógico.


Figura 8  -  Circuito lógico combinacional para exemplo 4


      Observe que a lógica executada pelo circuito é a de uma OU EXCLUSIVO. Construído o circuito o passo seguinte é a conexão do gerador de palavras e do analisador lógico ao circuito como na  Figura 9.


Figura 9 - Circuito lógico analisado com gerador de palavras e analisador lógico  

Como são duas as variáveis de entrada (B e A) as combinações possíveis são 4 (00,01,10,11), portanto a configuração do gerador de palavras deverá fornecer estas combinações. A figura20 mostra a configuração do gerador de palavras e do clock do analisador lógico.

       

              ( a )                                                      ( b )
Figura 10 -  ( a ) Configuração do gerador de palavras e do ( b ) clock do analisador lógico

Feitos os ajustes e iniciada a simulação e aberto o analisado lógico, obtemos as formas de onda, sendo que a primeira de cima para baixo é a saída e as subseqüentes são A e B e a última é o clock (1 kHz). Observar a lógica entre a saída e as entradas.



Figura 11 -  Formas de onda da entrada e da saída do circuito da Figura 9 para as 4 combinações de entrada


 
Copyright 2015. All rights reserved.
Voltar para o conteúdo | Voltar para o Menu principal