3) Um circuito RC série é conectado a uma fonte de 10V(RMS) e f=1 kHz. Se C=0,47 mF e R=1 k pedem-se: a) Valor de VC e VR b) Valor da corrente c) Se considerarmos o gerador como entrada, Ve, e a saída em C, Vs=VC, qual será o ganho em dB em 1 kHz? d) Qual a sua frequência de corte ?
4) : Um circuito consome 30 A quando ligado em 220V, com um FP de 0,7.
a) Qual a potência ativa (P)?
b) Potência aparente (S)?
5) As formas de onda de tensão foram obtidas em um osciloscópio. Determinar: a) Valor de pico a pico das duas tensões b) Frequência das tensões c) Defasagem, em graus entre as duas tensões.
--------------------------------------------------------------------------------------------------------------------------------------------------
Avaliação P2 de Dezembro de de 2010
A prova é sem consulta. Pode usar calculadora. A duração da prova é de 90 minutos
1 ) Dado a curva de resposta em freqüência de um filtro pedem-se:
a) freqüência de corte Respostab) valor da tensão de saída na frequencia de corte se a entrada vale 10 V Respostac) Desenhe o circuito do filtro, indicando entrada e saída com os valores se C=0,1 mF Respostad) Esse circuito pode ser usado como integrador ou diferenciador e em que faixa de freqüências Resposta e) Qual o valor da saida na frequencia de 50 kHz com Ve=10V Resposta
2) Um circuito RC serie com R=100 kOhms e C= 500
mF
é ligado a uma bateria de 10 V atraves de uma chave. Determinar:
a) Constante de tempo do circuito Resposta b) Apos ligar a chave quanto tempo leva para a tensão na resistencia atingir 7 V Resposta c) Apos quanto tempo na pratica pode-se considerar o capcitor totalmente carregado Resposta
3) Um circuito RLC serie é ligado a uma fonte senoidal de 10 V. Se R=50 Ohms, C= 10 nF e L=0,02 mH determinar:
a) Frequencia de ressonancia do circuito. Resposta b) Valor da corrente na ressonancia Resposta c) Valor da tensão na resistencia R, no capacitor C e na indutancia L na frequencia da ressonancia. Resposta d) Se a saida for considerada na resistencia R, qual o valor do ganho em dB na frequencia de 5.fo (fo=frequencia de ressonancia).
e) Se a saida for considerada na resistencia R, qual o valor do ganho em dB na frequencia de fo/5 (fo=frequencia de ressonancia).
4) Um circuito RL serie é ligado a uma fonte senoidal de 220 V/60 Hz. Se R= 20 Ohms e L=100 mH calcular:
a) Fator de Potencia do circuito
b) Intensidade da corrente fornecida pelo gerador
c) Valor do capacitor que corrige o F.P para 0,92
d) Valor da corrente fornecida pelo gerador apos a correção
Avaliação P2 de Maio de 2014
A prova é sem consulta. Pode usar calculadora. A duração da prova é de 90 minutos
1) Dado o circuito pedem-se:
b) Valor de Vs na frequência de corte Resposta c) valor de Vs para f=15 kHz. Resposta (valor 1,5 pontos).
2) Para o circuito pedem-se:
a) Qual a indicação do amperímetro?
b) Qual o FP do circuito?
c) Qual o valor do C que corrige o FP para 0,92? (Valor 1,5 pontos)

3) A chave no circuito é fechada no instante t=0. Pedem-se:
a) constante de tempo do circuito (t)
b) valor da tensão em R (VR) após 2 constantes de tempo
c) após quanto tempo o capacitor pode ser considerado totalmente carregado, na pratica? (Valor 3 pontos)
4) Para o circuito pedem-se:
a) Indicação do instrumento
b) Potência real
c) Potencia aparente
d) Potencia reativa valor 2 pontos)

5) No circuito pedem-se:
a) Qual a freqüência de ressonância do circuito?
b) Qual o valor da tensão em R (VS) na ressonância?
c) Valor da corrente em uma frequencia duas vezes a de rssinancia
d) Valor da corrente em uma frequencia a metade da de ressonancia
e) Valor do fator de merito do circuito
f) Largura de faixa (Banda Passante)(valor 2 pontos)
--------------------------------------------------------------------------------------------------------------------------------------------------
Avaliação P2 de 02/11/2021
1) Dadas as expressões da tensão em função do tempo de duas tensões de mesma frequência, determinar:
a) Frequência (f) em Hz e período (T) em ms
b) Defasagem (Dq), em graus, entre as duas tensões e potência (P) dissipada em uma resistência de 10 Ω se a tensão v1 for aplicada na mesma.
V1(t)= 40.sen(400.p.t + 30o)(V) V2(t)= 10.sen(400.p.t + 60o)(V)
Respostas
2) Um motor, com um F.P=0,6, consome 20 A de corrente quando ligado a uma tensão de 220 V. Calcular:
a) Defasagem (f), em graus, entre a tensão e a corrente e valor da impedância do circuito (Z) em Ohms.
b) a) Potência ativa (P) e aparente (S).
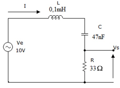
3) O circuito é um filtro passa baixas (FPB), determinar:
a) Frequência de corte (fc)
b) Valor de Vs na frequência de 8 kHz.
c) Ganho em dB para f=20.fc
4) Dado o circuito determinar:
a) Indicação do amperímetro (I)
b) Fator de potência (FP)
c) Potência ativa (P)