ELETRÔNICA DIGITAL - CIRCUITOS SEQUENCIAIS
Aula 04: Contadores Assincronos: Contador de 0 a 5 - Contador de 0 a 9 - Contador de 00 a 59 - Contador de 00 a 99
1 Contador de 0 a 5
Esses contadores são importantes na construção de cronômetros e relógios digitais.
Quer-se obter a seqüência de contagem:
000 (0)>>. 001 (1) >>> 010 (2)>>> 011 (3) >>>100 (4)>>>101 (5) >>> 000 (0)......
São necessários no mínimo 3 FF (Q2Q1Q0), e como já visto, com três FF é possivel contar até 7 desta forma basta fazer o contador voltar a zero quando atingir a contagem 6 (110) e para isso é necessário incluir uma lógica externa para fazer o contador resetar. A Figura 1 mostra como isso é feito.

( a ) ( b )
Figura 1 - Contador assincrono de 0 a 5 ( a ) circuito ( b ) Formas de onda
Arquivo Multisim Live - Contador de 0 a 5

a mudança de estado do FF acontece quando o seu clock passar de 1 para 0.
a saída da porta NAND é alta de 0 a 5 quando a contagem atinge 6 a saída vai a 0 o que reseta todos os 3 FF.
2 Contador de 0 a 9
É obtido da mesma forma que o contador de 0 a 5, a diferença é que precisa de 4 FF. O que desejamos é obter a seqüência de contagem:
0000 (0)> 0001(1) > 0010(2) > 0011(3) > 0100(4) > 0101(5) > 0110(6) > 0111(7) > 1000(8) > 1001 (9)> 0000(0)
Da mesma forma que no contador de 0 a 5 é necessário uma lógica externa que zere o contador em 10 (1010). O circuito da Figura 2 mostra como isso é feito.
( a ) ( b )
Figura 2 - Contador de 0 a 9 ( a ) circuito ( b ) Formas de onda
Arquivo Multisim Live - Contador de 0 a 9
3. Contador de 00 a 99
Um contador de 00 a 99 é obtido conectando-se um contador de 0 a 9 a outro contador de 0 a 9 resultando em um circuito que pode ser usado como um cronometro se o clock for de 1 Hz, Figura 3.
Figura 3 - Contador de 00 a 99.
4 Contador de 00 a 59
Um contador de 00 a 59 é obtido conectando-se um contador de 0 a 9 a um contador de 0 a 5 resultando em um circuito que pode ser usado como relógio de segundos e minutos, Figura 4.
Figura 4 - Contador de 00 a 59.
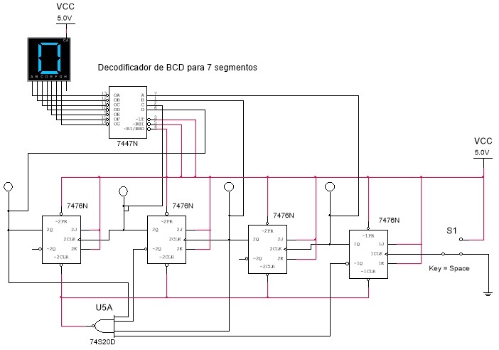
5 Experiência: Contador de 0 a 5
5.1. Abra o arquivo
ExpDG2_07 Contador de 0 a 5 (Multisim 14) e identifique o circuito da Figura 5. Verifique a operação aplicando clock manual (S1) ou automatico.
Figura 5 - Contador de 0 a 5 com display e decoder
5.2. Escreva as suas conclusões.
6. Experiência: Contador de 0 a 9
6.1. Abra o arquivo
ExpDG2_08 Contador de 0 a 9 (Multisim 14) e identifique o circuito da Figura 6. Verifique o seu funcionamento através da chave S1 (pressione a tecla de Space do teclado para mudar a chave S1).
Figura 6 - Contador de 0 a 9 com display e decoder
6.2. Escreva as suas conclusões.
7 Experiência: Contador de 00 a 99
7.1. Abra o arquivo
ExpDG2_09 Contador de 00 a 99 (Multisim 14) e identifique o circuito da Figura 7. Verifique o seu funcionamento observando a contagem indicada nos dois displays. Observe que os blocos SC2 e SC1 são subcircuitos que representam um contador de 0 a 9. Para ver o circuito interno dê duplo clique no mesmo.
Figura 7 - Contador assincrono de 00 a 99 com sub circuito
7.1. Escreva as suas conclusões.
8 Experiência: Contador de 00 a 59
8.1. Abra o arquivo
ExpDG2_10 Contador de 00 a 59 (Multisim 14) e identifique o circuito da Figura 8. Verifique o seu funcionamento observando a contagem indicada nos dois displays. Observe que o bloco SC2 é um subcircuito que representa o contador de 0 a 5 e o bloco SC1 representa um contador de 0 a 9. Para ver o circuito interno dê duplo clique no mesmo.
Figura 8 - Contador assincrono de 00 a 59 com sub circuito
8.2. Escreva as suas conclusões